873
FREE
circuits!

How to build 12 Stage Neon Sequencer (NE-2 / NE-51)

October 4, 2010 - category: Light flasher

Circuit diagram

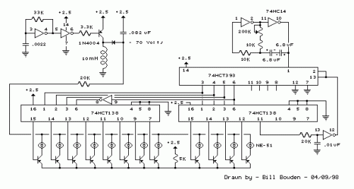
12 Stage Neon Sequencer (NE-2 / NE-51)-Circuit diagram

Description

This circuit is similar to the LED clock using 12 neon indicator lamps instead of LEDs. It operates from 2 high capacity ni-cad cells (2.5 volts) which keep it going for a couple weeks. High voltage (70 volts) for the neon lamps is obtained from a small switching power supply using a 74HC14 Schmitt trigger squarewave oscillator, high voltage switching transistor, and 10 mH high Q inductor. Most any small PNP transistors can be used that have a C/E voltage rating of 80 or more. The inverter stage (pins 5,6) is not needed and is just an extra stage. An adjustable low frequency oscillator made from two of the inverter stages generates the clock signal for the 74HCT393 binary counter. In this circuit, the timing capacitor should be non-polarized since the capacitor will charge in both directions, so two 6.8 uF tantalum caps were used back to back which yields about 3.3 uF. The 75K resistor in series with pin 1 limits the current through the input protection diodes when the capacitor voltage exceeds the supply voltage. This resistor may not be necessary with small capacitors at low voltage but was added as a precaution. The binary counts are decoded into 1 of 12 outputs by the 74HCT138 decoders and operates the same way as in the 28 LED clock circuit. The sequence can be extended to 16 by omitting the reset circuit and tying pins 2 and 13 of the counter to ground.








circuit from http://www.bowdenshobbycircuits.info/page7.htm#neons.gif

If you liked this page please consider sharing. Thanks!


Bookmark and Share

Previous and next post from Light flasher