873
FREE
circuits!

How to build 73 MHz Hallogene Lamp Radio-Controlled

December 3, 2010 - category: Remote control

Circuit diagram

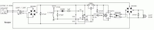
73 MHz Hallogene Lamp Radio-Controlled-Circuit diagram
73 MHz Hallogene Lamp Radio-Controlled-Circuit diagram

This circuit is a 73 MHz Hallogene Lamp Radio-Controlled. The purpose of it is to control the power state of a hallogene lamp by a remote control. When we press the push botton of the remonte control, the power state of the lamp will be changed, so, if the lamp was turned on, it will turned off and if it was turned on, it will turned off. If we press to the button another time, the same action will be occured. When the button is pressed, a LED indicator lights on the remote control. The system is consisted by two separate circuit. One is the remote control, or the emmetor. The other is the receptor, or the hallogene lamp controller. We plug the input of the lamp controller circuit to the 120VAC source of the sector to supply it. The lamp must be pluged to the output of the circuit to be supplied and controlled. The controller circuit has also an antenna to receive the signal of the remote control. The remote control has also an antenna to transmit the signal to the controller circuit and have to be powered by a 9V battery. Two things important for my circuit are not mentioned in the schematic. There are about the two logic component. The first one is the Schmitt trigger NOT gate (74LS14). Its Vcc pin must be connected to the output of the +5V regulator (7805). And its GND pin must be connected to the ground of the circuit. The second one is the JK Flip-Flop (74LS76). Its Vcc pin must be connected to the output of the +5V regulator (7805). And its GND pin must be connected to the ground of the circuit.








author: Serge Saati, serge_saati@hotmail.com
circuit from http://www.electronics-lab.com/

If you liked this page please consider sharing. Thanks!


Bookmark and Share

Previous and next post from Remote control